Описание
Искусственный мрамор – это композитный материал, который на 80% состоит из натурального камня (крошка мрамора) и на 20% из полимерных связующих (смолы). От размера мраморной крошки зависит фактура будущего изделия и то, каким будет рисунок. Прочность и качество мойки напрямую связаны с процентным соотношением компонентов в искусственном камне.
К достоинствам искусственного мрамора можно отнести:
• Практичность
• Химическая и термическая стойкость (до +280?С)
• Гладкая, непористая поверхность
Важно! Мойка из искусственного мрамора требует бережный уход. Рекомендуем ухаживать мягкой губкой без использования абразивных средств.
Характеристики
Бренд
Страна-изготовитель
Гарантия
5 лет
Материал
искусственный мрамор
Форма
Крыло
есть
Расположение крыла
универсально
Готовые отверстия под смеситель
нет
Комплектация
монтажный комплект
Ширина шкафа, мм
700
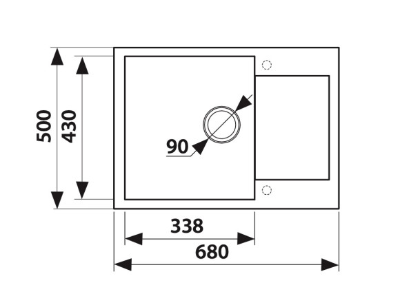
Длина чаши, мм
338
Ширина чаши, мм
430
Отзывы
Отзывов ещё нет — ваш может стать первым.







































































